Pivot Hinges
 
Working with Pivot Hinges
user: Guest
 
 

1) Pivot Hinges vs. Side Mount Hinges:

The pivot hinge is distinguished from the side-mount hinge in that it holds the door glass from the top and bottom. There are some advantages to this configuration. The seals for the door edges don't have to start and stop to go around the hinges. The hinges are self centering spring loaded hinges, so you can set the door so that it will swing into the shower as well as out of the shower. One advantage to the pivot hinge is that it's range of motion is 360 degrees, where a wall mount hinge only have 180 degree of movement. They swing 90 degrees in, and 90 degrees out of the shower. Most of our side mount hinges come with two sets of gaskets so they can be used with 3/8" glass or 1/2" glass. This is not the case on pivot hinges. The most popular hinge is Prima hinge. This hinge works with 3/8" glass. To use 1/2" glass you need the Sr.Prima hinge.

Pivot Hinges with Header Bars:

A pivot hinge is the preferred hinge when the shower layout requires the use of a header. The most common header application is a neo-angle shower. The standard To use the hinge in conjunction with a header the standard mounting foot is removed. The pivot pin fits into a adaptor block which in turn fits into the header.

 

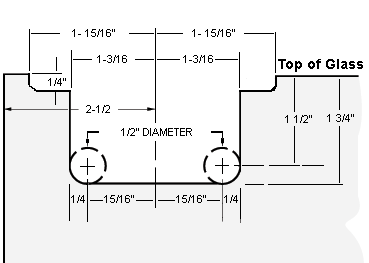
Standard Cutout

The pivot hinge requires a glass cutout to receive the hinge body. The cut is made so that there is some adjustment capability (+- 1/8") in the hinge. It is critical that you center the hinge when installing the hinge in the hinge cutout. To center the hinge in the cutout, loosly assemble the hinge in the cutout. The glass edge should line up on the pivot pin side of the hinge plate. Slide the door to the right and put a mark on the glass, now slide the hinge the oppisite direction and put a mark on the glass. Center the hinge between the marks and tighten the hinge plate screws. There should be 1/2" of space under the door. The bottom wipe will close off this space. The SR Prima hinge used with 1/2" glass uses a larger cutout.

 

Steam Cutout (Steam Showers only)

To provide a tight consistent seal on a steam shower we use a special glass cutout which keeps the gap at the top of the door to the same spacing as is used on the sides. There should be 3/16" spacing between the glass and the tile. The SR Prima hinge used with 1/2" glass uses a larger cutout.

PPH01 Standard Hinge Cutout
PPH01 Steam Cutout

Pivot Shower Door installation

If you additional panels in your shower installation, they should be in position. They don't have to be fully installed, but they should be in place, and the door space should be the W value as specified. The basic procedure is to mount the hardware on the door, position the door, mark the footprints of the hinge foot, remove the door, remove the hinges, position the hinge in the footprint and mark the screw locations, drill the holes for the screws, insert anchors, and install the hinges.

1) Put the pivot hinges on the door. Make sure the hinges are centered in the hinge cutouts.

 

 

 
   
   
   
 
 

 

 

 

1) Verify & Layout:

The first step in a door install is to verify the dimensions and layout the unit. On the Work Order paperwork shipped with your door there is a dimension box on the left hand side. These are the Centerline Space Dimensions the door was manufactured to fit. Using these space dimensions layout the unit. We recommend putting small marks on your tile so you will know where everything should be installed.

Pivot Door Installations

Installation of the Fixed Panel:

To achieve a perfect fit you will need to do a trial fitting of most of the components. Install the U Channels as per the layout. Inspect the bottom of the U channels to make sure the screw heads a not sticking up to where the glass will hit them when installed. Your U Channel installation kit contains four set of setting block of various sizes. The glass was manufactured to use the 1/8" setting blocks. Place these blocks in the bottom of the "U" channels (two per panel of glass), and stand up your fixed panels. Put a level on the exposed vertical edge of the glass. If the panel is not standing straight remove the panel and change the setting block sizes to get the panel to stand correctly. With door side glass panels in place measure the door space (W) at the bottom and at the top of the opening. This needs to match the (W) value on your Work Order. You may need to pull out , or push in the side panels to achieve the correct door spacing.

With the side panels placed so you have the correct (W) space. The bottom U channels should be flush with the glass, or close to it. You can set piece of the header on the top edge of the glass to determine how much of the "U" channel needs to be cut off. The vertical U channels should be 3/4" short of the top of the glass. This will allow 3/4" of glass to fit into the header bar channel. The U channel will not fit up into the header bar. Mark the U Channels, remove the glass. Don't loose you setting blocks, they tend to stick onto the bottom edge of the glass. Remove the U Channels and trim as required. This time put a small bead of Silicone on the back side of the each piece U channel. Wipe off any excess silicone which might squish out as the U channel is installed. Replace the setting blocks, and reinstall the panels.

 

 

Assemble the Header

Assemble the header bars using the corner brackets. The brackets have sloped set screws so as you tighten up them they pull the header bars together. Install the wall Mounting Brackets into the header bars which are going to touch the walls. Lock the brackets into the header bar inset 1/16" from the end of the header bar.

Put some of the unused thin setting blocks on the top edge of the glass panels and carefully place the header on top of the unit. With the header in place and tight against the wall use your drill to start pilot hole for the screw of the wall mounting bracket. Remove the header bar and drill the hole for the Wall Mounting Bracket screw. Take care to drill the hole at the correct angle. Install the anchors so they are flush with the surface. Cut a piece of clear vinyl for the top of each panel. With the clear vinyl in place spray the vinyl with Windex and then carefully pound the header into position using a rubber mallet. Take care to not damage the header bar finish. After you have the header partially on measure the door opening at the bottom and top. If the opening does not match the W value for the Work Order you need to make the appropriate adjustments now.

Hint: Fitting the header onto the glass using the vinyl can be difficult. Some professional installers will use this trick to make the install go easier. Cut two inch lengths of vinyl for each panel and place on the top corners of the fixed panels. Now put a bead of silicone along the top edge of the glass. Install the header. You may still need to use a rubber mallet to put the header in place, but it will be much easer. The small lengths of vinyl center the glass in the Header Bar, and the silicone will makes it secure. It is much easer to make adjustment using the technique.

2) Install Hinges:

Disassemble the hinge by removing the two screws holding the pressure plate. It should be easy to see how the hinge pivot mechanism will fit into the notch cut in the door glass. Notice that there is some room to move the hinge inside the notch.

Hint: If you super glue the hinge gasket to the hinge and hinge plate it will make it easier to work with during the installation. Don't get glue on the outside surfaces, it may damage the finish.

 

PPH01 hinge with base removed ready for adaptor block.

 

3) Mount the pivot hinges on the Door:

Assemble the bottom hinge around the glass. The screw heads are on the inside of the shower. You should have a gasket on both sides of the glass so there is not metal to glass contact. At this point we want to mount the hinge in the center of the notch. Failure to put the hinge in the center of the notch may limit you ability to make final adjustment to the door.

Hint: With the hinge loosely assembled on the door, slide it all the way to the right and put a mark on the glass on the right side of the hinge. Then slide the hinge to the left and put a mark on the glass next left side of the hinge. Using the two marks as guides center the hinge between the two marks and tighten the hinge screws.

Now mount the top hinge using the the same process you used on the bottom hinge.

 

 
 

 

 

     

 

5 ) Install the Handle

We want to install the handle or knob at this point so that it will be easer to position the door in the door opening. There different styles of handles and knobs, but most of them use the same through the glass mounting system. On the back to back handles there is an inside handle and an outside handle. The inside handle has two small set screws. When mounted these set screws face downward so that you can't easily see them. Use the allen wrench provided loosen the allen screws and separate the two handles. Now loosen the screws holding the plastic washers. Take note of the order of the plastic washers and sleeve. When assembled on the door there is a plastic washer on each side of the glass, and the sleeve is in the hole between the washers. The plastic washers protect the glass from the metal handle. Don't tighten the screws to much or you will break the washers. Now slide the inside handle onto the studs with set screws down. Tighten the set screws. The handle is designed so that it tighten on the glass as the set screws are tightened.

 

6) Position the door :

In this section we want to stand our door glass up in position so we can mark the location for the bottom pivot hinge plate, and find the correct location for the adaptor pivot block for the top hinge. On a typical Euro door, the glass is manufactured to have a 1/2" clearance for the bottom of the door to allow for proper operation of the door sweep.

Hint: Use the 1/2" fiberboard used in the shipping crate as setting blocks. Keep the corner protectors on the glass if possible.

With one person on the inside and one on the outside of the shower stand the door up on the setting blocks and center it in the opening. It's not possible to mark the holes when the door is in the closed position, so trace the outline of the hinge base plate on the curb.

Next we need to locate the position of the top hinge pivot screw. With the door standing in position and the pivot block on the hinge pivot pin and in the header bar channel center the door and mark the location of the pivot block in the header bar.

Hint: Some installers will put a couple of pieces of tape on the adapter block with the end loose. Then when the door is centered they use the loose ends to tape the adapter block in position. Then when the door is removed the adapter block stays in the header bar. It is an easy task to drill the hole in the header bar using the adapter block as a guide.

Carefully remove the door and set it aside. The next step is to drill a 3/16" hole in header bar for the pivot screw. Holding the pivot block in the header bar channel use your marks to position it and drill the screw hole using the hole in the pivot block as a guide.

Remove the top hinge from the door and install the hinge into the adaptor block and header bar as if the door were in the closed position.

Remove the bottom hinge from the door, and twist the base plate so you can access the screw holes. Position the hinge on the threshold and mark the screw hole locations. Drill the hinge holes and insert the anchors. The anchors should flush with the surface of the curb. Put a small bead of silicone on the bottom of the hinge base and install the bottom pivot hinge.

Prepare for the hanging the door. You should have the top hinge screwed to the header bar but without the back plate. The bottom hinge should be screwed to the curb in the closed position and no back plate. Carefully put the door inside the shower. Do Not stand it directly on the tile. Put the 1/2" thick fiberboard setting block on the curb in the door opening. With one person on the inside of the shower, and one on the outside. Pick up the door and place the bottom edge on the glass on the fiberboard blocks . The person on the outside assists in the guiding the glass to avoiding glass to glass contact. With the weight on the fiberboard blocks carefully stand the door up and align the hinge cutouts with the hinge body. install the hinge plate and center the door in the door space. Tighten the screws. Make sure you use a screwdriver which is in good condition and is the correct size. Do the same for the top hinge.

Hint: To avoid any possibility that the door might move in the hinge some installers will put a small amount of super glue between the gasket and the glass on the inside hinge plate.

Carefully open the door into the shower, remove the fiberboard setting blocks. Check the clarence on both sides of the door and adjust if necessary.

 

 

 

Install Header Bar Filler

The header bar filler looks somewhat like a "U" channel. This part snaps into the bottom of the header bar over the top of the door. You will need to measure and cut to fit the space from the adapter block to the side panel glass. When cut to size just snap it into place.

 

 

 

9) Install Seals:

After all fine tuning is completed we need to install the hinge seal. Open the door (inward if possible) all the way to expose the back edge of the glass. Clean the edge of the glass of finger prints and oils. The eSHOWERDOOR kit came with a double finned "T" vinyl seal. Cut the seal the the correct lengths. To install the seal peal the red backing down for about 2 inches. Position this part of the seal on the glass. Now slowly pull off the backing off and press the seal on to the glass. The seal has two fins, a short fin, and a long fin. If you have a tight install, and have the glass slid into the hinges all the way, you will need to trim off the long fin and use the short fin.

Tip: Sometimes with new tile or granite it is helpful to put a thin film of petroleum jelly on the fin of the seal so that it doesn't stick as the door is closed.

 

 
 
© 2004– 2010 eShowerDoor.com All rights reserved.